蓄热式烧嘴燃控系统 |蓄热式模壳焙烧炉

     品质为基拓市场,信守承诺口碑传以下是中威环保为您整理的蓄热式烧嘴燃控系统 |蓄热式模壳焙烧炉产品的相关资料信息,朋友不清楚的地方请即刻致电中威蓄热式烧嘴燃控系统 |蓄热式模壳焙烧炉产品技术咨询电话:13849187223!

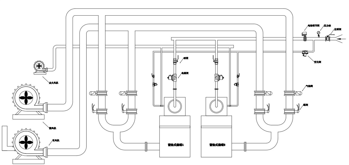
一、蓄热式烧嘴简介:

(1)概念:蓄热式烧嘴(RCB)蓄热式烧嘴是一种通过蓄热球从窑炉烟气中回收热量来预热空气以此达到交替燃烧均匀加热目的的烧嘴。
(2)适用范围:蓄热式烧嘴主要应用于工业燃气加热领域,以低NOx排放,很高的燃烧热效率著称。它是继自身预热式烧嘴后的又一大技术进步。主要应用于:锻造炉、热处理炉、轧钢加热炉、封头加热炉、金属熔化炉、玻璃池窑、模壳焙烧炉等。
蓄热式烧嘴将换热系统与烧嘴相连后并安装在炉窑侧壁上,再通过换向滑阀,成对操作。
二、蓄热式烧嘴工作原理:
   一套蓄热式烧嘴系统至少包括两个烧嘴,两个蓄热器,一个热能回收系统以及相应的控制装置。烧嘴和蓄热器可根据现场实际情况直接连接在一起或选择用耐火材料浇注的管道连接在一起。当一个烧嘴利用蓄热器里的热空气进行燃烧时,另一个烧嘴起到排烟口的功能,利用抽烟风机抽出炉子里的热空气通过烧嘴到蓄热器里进行蓄热。当热量蓄足后,换向阀动作,转换两个烧嘴的功能。每当一个烧嘴在燃烧时,则另一个在帮助蓄热器蓄热。在热交换中,管道中的废气温度通常在
150-200℃,因而不管是蝶阀还是抽烟风机均能长期*可靠的工作。

  (1)控制系统:该系统采用优良PLC控制器,可实现系统的实时温度、烧嘴运行状态,并实现远程点火,自动控温等功能。配套人机交互界面,使系统更直观、易操作。

  (2)火焰检测:系统配套点火烧嘴,带有检测装置,可选择使用探头或探针进行检测。火检装置与系统已连锁,可实现*切断。

 (3)熄火联锁保护:系统具有熄火联锁保护功能,由于系统波动或其它因素出现意外熄火时控制系统可发出联锁控制信号,关闭阀门。

(4) 系统安装流程示意图

 

  1. 烧嘴选择:郑州中威环保设备有限公司根据加热炉生产工艺及用户要求进行设计 、选型。

三、产品详情和参数:

       蓄热式焙烧炉以天然气、液化气、柴油为燃料,主要用于熔模铸造行业中模壳的焙烧,也可用于金属材料及零件的加热和热处理。油炉采用双喷嘴交替燃烧充分利用热源排烟温度不超过150度,炉膛内温度均匀,升温快,燃烧效率高,温度自动控制,达到调节温度后自动停止,温度下降后自动启动 。耗气量液化气每小时12KG,天然气每小时12 ㎡,参考数值。

 

培烧炉说明

单位

ZWG-12-1.5

ZWG-12-1.9

引风机功率

KW

3

4

鼓风机功率

KW

2.2

3

炉门数量

 

1

1

耐火砖材料

 

高铝

高铝

炉膛容积

m 2

1.5

1.9

升温时间

min

15~20

15~20

工作温度

1200

1200

外型尺寸

mm

2850×4200×3300

2900×4580×3300

重量

Kg

12000

14000

 

四 、选择郑州中威环保设备有限公司的四大理由:

(1)独立的研发部门

中威设有独立的自动化控制系统研发部门,以用户的需求,量身打造,匹配专业的自动化解决方案;

(2)专业的生产装配车间

中威控制柜从生产、装配、检验、出厂,严格按照技术标准要求进行,确保装配质量;

(3)施工资质齐全

中威具备各种施工资质证书,燃气、电、安防类证书齐全,完全符合国家施工要求标准;

(4)专业施工队伍

中威公司隶属中威环保集团公司:具备专业的窑炉施工队伍、自动化控制系统施工队伍、各类检测、施工、装配工具齐全,确保施工质量。

      郑州中威环保设备有限公司负责设计:燃气 、燃油、 模壳焙烧电炉,蓄热式模壳焙烧电炉已经广泛应用于铸造企业,获得用户一致好评。

     技术启航,未来已来成就品牌并不是中威人的追求,如何让中威【蓄热式烧嘴燃控系统 |蓄热式模壳焙烧炉,创造客户价值,为朋友提供重研发的产品,才是中威人致力追求的方向!技术驱动,创新不止  中威人愿与朋友携手共筑中国梦,顺祝朋友所求皆如愿,所行化坦途,多喜乐,长安宁!

返回顶部